Если вы не нашли нужный товар или заказываете больше одной единицы, наша
служба поддержки к вашим услугам. Менеджер проверит наличие, рассчитает
стоимость и оформит всё для вас.
Через корзину:Выберите «Юридическое лицо» и загрузите карточку компании
После оформления мы вышлем счёт, забронируем товар и отправим его в любой регион России.
1. Банковской картой онлайн
Вы можете оплатить заказ прямо на сайте с помощью банковской карты.
Выбор способа оплаты: Выберите опцию «Банковской картой онлайн».
Переход к платёжной странице: После подтверждения заказа вы будете
перенаправлены на защищённую страницу.
Оплата: Следуйте инструкциям на экране.
Подтверждение: Получите уведомление об оплате на e-mail.
2. Наличными при получении (только со склада в
СПб)
Оплата возможна только при самовывозе. Убедитесь в графике работы склада.
3. Оплата через квитанцию
Как это работает:
Распечатайте квитанцию или перепишите её вручную.
Оплатите в любом банке.
Сохраните квитанцию до подтверждения заказа.
Условия поставки:
Отгрузка товара производится после подтверждения поступления оплаты.
Платёж идентифицируется по поступившей в банк квитанции.
Примечание: ООО «Техноберинг» не гарантирует срок зачисления платежа — уточните
детали в вашем банке.
4. Оплата по счёту
Для оплаты по счёту необходимо предоставить корректные реквизиты компании.
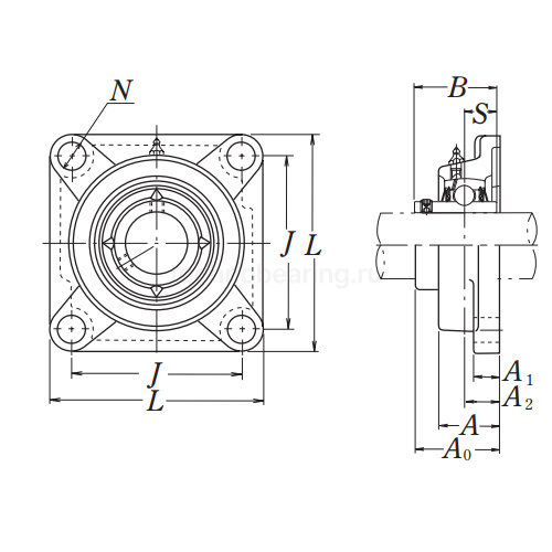
Подшипниковый узел UCF213 NSK — это стационарный фланцевый узел квадратной формы, состоящий из литого чугунного корпуса и самоустанавливающегося радиального шарикоподшипника. Изделие предназначено для жесткой фиксации на вертикальных или горизонтальных поверхностях с помощью четырех болтов, обеспечивая надежную опору вала диаметром 65 мм в условиях тяжелых нагрузок.
Поможем подобрать комплектующие
Наши специалисты помогут вам с правильным выбором необходимых размеров,
позиций или подберут аналоги по лучшей цене.
Добавление отзывов доступно только для авторизованных пользователей.
Спасибо!
Ваше сообщение отправлено!
Задать вопрос
Сообщение отправлено
Менеджер ответит после публикации вопроса на сайте
Выгодные условия для оптовиков — оставьте заявку!
Спасибо!
Ваше сообщение отправлено!
Заполните форму быстрого заказа
Спасибо!
Ваше сообщение отправлено!
Пожалуйста, оцените оформление страницы
Спасибо!
Ваше сообщение отправлено!
Сообщение отправлено
Мы опубликуем его после проверки модератором
Подписывайтесь на новости и акции
Спасибо!
Подписка оформлена. Теперь вы будете первыми узнавать о новостях и акциях.
Войти или зарегистрироваться
Спасибо!
Ваше сообщение отправлено!
Выбор города
Выбранный город: Ижевск
Спасибо!
Ваше сообщение отправлено!
Оставить обращение
Спасибо!
Ваше сообщение отправлено!
Оставить обращение
Спасибо!
Ваше сообщение отправлено!
Сообщить об ошибке на странице
Спасибо!
Ваше сообщение отправлено!
Под заказ
Спасибо!
Ваше сообщение отправлено!
Запросить цену
Спасибо!
Ваше сообщение отправлено!
Оставите запрос на расчёт оптовой цены
Спасибо!
Ваше сообщение отправлено!
Этот сайт использует файлы cookie, Яндекс.Метрика и другие технологии
отслеживания, чтобы обспечить вам наилучшее обслуживание на сайте.
Продолжая работу вы соглашаетесь с
политикой конфиденциальноcти
и
обработкой персональных данных.