Top.Mail.Ru
Ваш город - Колумбус?
+7 (812) 449-72-07
E-mail
sale@technobearing.ru
Адрес
Санкт-Петербург, ул. Понссе, 22
Режим работы
Пн-Пт.: с 8:00 до 17:30

ОПУ фланцевая серия EBL.20.0544.200-1STPN ISB

ArrowBack
ArrowForward
Территория выгоды
ОПУ фланцевая серия EBL.20.0544.200-1STPN ISB
ОПУ фланцевая серия EBL.20.0544.200-1STPN ISB
Гарантия производителя 12 месяцев
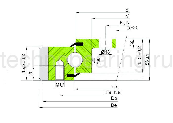
Внутренний диаметр, мм
434
Наружный диаметр, мм
640,8
Фланец
да
Производитель
ISB
Все характеристики
Артикул
EBL.20.0544.200-1STPN
Производитель
ISB
Внутренний диаметр Di, мм
434
Наружный диаметр De, мм
640,8
Вес, кг
42
Внутренний диаметр di, мм
542,5
Диаметр Dp, мм
630
Диаметр De, мм
640,8
Диаметр Fi, мм
462
Диаметр de, мм
545,5
Материал
сталь C45
Диаметр Fe, мм
585
Количество отверстий на внутреннем кольце Ni
14
Кривая
3
Количество зубьев Z
105
Количество отверстий на наружном кольце Ne
14
Монтажный диаметр наружного кольца Fe, мм
585
Количество отверстий Nе
14
Количество отверстий Ni
14
Монтажный диаметр внутреннего кольца Fi, мм
462
Модуль зубьев m, мм
6
Резьба M, мм
M12
Размер резьбовых отверстий, мм
18
Уплотнение
есть
Тип зацепления
наружное зацепление
Усилие на зубе Fz max, kН
36
Усилие на зубе Fz nor, kН
18
Если вы не нашли нужный товар или заказываете больше одной единицы, наша служба поддержки к вашим услугам. Менеджер проверит наличие, рассчитает стоимость и оформит всё для вас.
Способы оформления заказа для юридических лиц:
  • На почту: sale@technobearing.ru (пришлите список и реквизиты)
  • По телефону: 8 (812) 409-50-12 (назовите менеджеру, что нужно)
  • Через корзину: Выберите «Юридическое лицо» и загрузите карточку компании
После оформления мы вышлем счёт, забронируем товар и отправим его в любой регион России.
1. Банковской картой онлайн

Вы можете оплатить заказ прямо на сайте с помощью банковской карты.

  1. Выбор способа оплаты: Выберите опцию «Банковской картой онлайн».
  2. Переход к платёжной странице: После подтверждения заказа вы будете перенаправлены на защищённую страницу.
  3. Оплата: Следуйте инструкциям на экране.
  4. Подтверждение: Получите уведомление об оплате на e-mail.
2. Наличными при получении (только со склада в СПб)

Оплата возможна только при самовывозе. Убедитесь в графике работы склада.

3. Оплата через квитанцию
Как это работает:
  1. Распечатайте квитанцию или перепишите её вручную.
  2. Оплатите в любом банке.
  3. Сохраните квитанцию до подтверждения заказа.
Условия поставки:
  • Отгрузка товара производится после подтверждения поступления оплаты.
  • Платёж идентифицируется по поступившей в банк квитанции.
Примечание: ООО «Техноберинг» не гарантирует срок зачисления платежа — уточните детали в вашем банке.
4. Оплата по счёту

Для оплаты по счёту необходимо предоставить корректные реквизиты компании.

Поможем подобрать комплектующие
Наши специалисты помогут вам с правильным выбором необходимых размеров, позиций или подберут аналоги по лучшей цене.

ОПУ фланцевая серия EBL.20.0544.200-1STPN ISB
ОПУ фланцевая серия EBL.20.0544.200-1STPN ISB
ОПУ фланцевая серия EBL.20.0544.200-1STPN ISB
ОПУ фланцевая серия EBL.20.0544.200-1STPN ISB
91 607 ₽
122 142 ₽

Этот товар участвует в подборках