Top.Mail.Ru
Ваш город - Колумбус?
+7 (812) 220-40-40
E-mail
sale@technobearing.ru
Адрес
Санкт-Петербург, ул. Понссе, 22
Режим работы
Пн-Пт.: с 8:00 до 17:30

Звездочка под расточку со ступицей с калеными зубьями для цепи: 10B-2, Z=15, 5/8 PD10T15 Sati

ArrowBack
ArrowForward
Звездочка под расточку со ступицей с калеными зубьями для цепи: 10B-2, Z=15, 5/8 PD10T15 Sati — детальное фото 0
Звездочка под расточку со ступицей с калеными зубьями для цепи: 10B-2, Z=15, 5/8 PD10T15 Sati — детальное фото 1
Гарантия производителя 12 месяцев
Количество зубьев
Количество зубьев
15
Количество рядов
2
Посадка на вал
под расточку
Размер цепи, дюйм
0,625"x0,375"
Ступица
да
Все характеристики
Артикул
PD10T15
Производитель
Sati
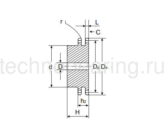
Внутренний диаметр D, мм
14
Внутренняя ширина звена цепи, мм
9,65
Вес, кг
0,95
Диаметр внутреннего отверстия D, мм
14
Диаметр Dp, мм
76.26
Диаметр ступицы d, мм
59
Диаметр De, мм
83
Диаметр ролика цепи, мм
10,16
Материал
сталь C45E
Количество рядов
1
Количество зубьев
15
Для цепи
10B-2
Радиус зуба звездочки r, мм
16
Расчетный диаметр De, мм
83
Общая ширина H, мм
40
Размер цепи, дюйм
5/8" x 3/8"
Наружный диаметр Dp, мм
76,36
Посадка на вал
под расточку
Твердость зубчатого венца
45–55 HRC
Рядность
1
Размер цепи
5/8 in x 3/8 in
Ступица
да
Шаг, мм
15,875
Ширина зубьев h2, мм
25,5
Ширина фаски зуба C, мм
1,6
Если вы не нашли нужный товар или заказываете больше одной единицы, наша служба поддержки к вашим услугам. Менеджер проверит наличие, рассчитает стоимость и оформит всё для вас.
Способы оформления заказа для юридических лиц:
  • На почту: sale@technobearing.ru (пришлите список и реквизиты)
  • По телефону: 8 (812) 409-50-12 (назовите менеджеру, что нужно)
  • Через корзину: Выберите «Юридическое лицо» и загрузите карточку компании
После оформления мы вышлем счёт, забронируем товар и отправим его в любой регион России.
1. Банковской картой онлайн

Вы можете оплатить заказ прямо на сайте с помощью банковской карты.

  1. Выбор способа оплаты: Выберите опцию «Банковской картой онлайн».
  2. Переход к платёжной странице: После подтверждения заказа вы будете перенаправлены на защищённую страницу.
  3. Оплата: Следуйте инструкциям на экране.
  4. Подтверждение: Получите уведомление об оплате на e-mail.
2. Наличными при получении (только со склада в СПб)

Оплата возможна только при самовывозе. Убедитесь в графике работы склада.

3. Оплата через квитанцию
Как это работает:
  1. Распечатайте квитанцию или перепишите её вручную.
  2. Оплатите в любом банке.
  3. Сохраните квитанцию до подтверждения заказа.
Условия поставки:
  • Отгрузка товара производится после подтверждения поступления оплаты.
  • Платёж идентифицируется по поступившей в банк квитанции.
Примечание: ООО «Техноберинг» не гарантирует срок зачисления платежа — уточните детали в вашем банке.
4. Оплата по счёту

Для оплаты по счёту необходимо предоставить корректные реквизиты компании.

Поможем подобрать комплектующие
Наши специалисты помогут вам с правильным выбором необходимых размеров, позиций или подберут аналоги по лучшей цене.

Звездочка под расточку со ступицей с калеными зубьями для цепи: 10B-2, Z=15, 5/8 PD10T15 Sati
Звездочка под расточку со ступицей с калеными зубьями для цепи: 10B-2, Z=15, 5/8 PD10T15 Sati
Звездочка под расточку со ступицей с калеными зубьями для цепи: 10B-2, Z=15, 5/8 PD10T15 Sati
Звездочка под расточку со ступицей с калеными зубьями для цепи: 10B-2, Z=15, 5/8 PD10T15 Sati
1 465 ₽

Этот товар участвует в подборках

10b