Top.Mail.Ru
Ваш город - Колумбус?
+7 (812) 220-40-40
E-mail
sale@technobearing.ru
Адрес
Санкт-Петербург, ул. Понссе, 22
Режим работы
Пн-Пт.: с 8:00 до 17:30

ОПУ стандартная серия с одним рядом шариков ZB1.250862201-1SPTN ISB

ArrowBack
ArrowForward
ОПУ стандартная серия с одним рядом шариков ZB1.250862201-1SPTN ISB — детальное фото 0
ОПУ стандартная серия с одним рядом шариков ZB1.250862201-1SPTN ISB — детальное фото 1
Гарантия производителя 12 месяцев
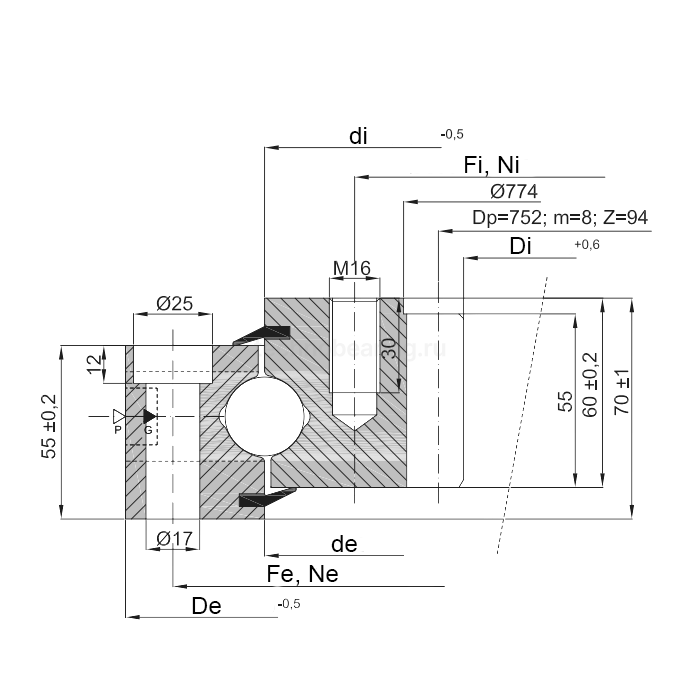
Внутренний диаметр, мм
736
Наружный диаметр, мм
950
Фланец
нет
Производитель
ISB
Все характеристики
Артикул
ZB1.2508622011SPTN
Производитель
ISB
Внутренний диаметр Di, мм
736
Наружный диаметр De, мм
950
Вес, кг
115
Внутренний диаметр di, мм
862
Диаметр Dp, мм
752
Диаметр de, мм
862
Диаметр отверстия под головку болта L, мм
25
Материал
сталь C45
Количество отверстий на внутреннем кольце Ni
30
Кривая
11
Количество зубьев Z
94
Количество отверстий на наружном кольце Ne
30
Монтажный диаметр наружного кольца Fe, мм
920
Монтажный диаметр внутреннего кольца Fi, мм
805
Модуль зубьев m, мм
8
Резьба M, мм
M16
Размер резьбовых отверстий, мм
17
Уплотнение
есть
Тип зацепления
внутреннее зацепление
Усилие на зубе Fz max, kН
27
Усилие на зубе Fz nor, kН
54
Если вы не нашли нужный товар или заказываете больше одной единицы, наша служба поддержки к вашим услугам. Менеджер проверит наличие, рассчитает стоимость и оформит всё для вас.
Способы оформления заказа для юридических лиц:
  • На почту: sale@technobearing.ru (пришлите список и реквизиты)
  • По телефону: 8 (812) 409-50-12 (назовите менеджеру, что нужно)
  • Через корзину: Выберите «Юридическое лицо» и загрузите карточку компании
После оформления мы вышлем счёт, забронируем товар и отправим его в любой регион России.
1. Банковской картой онлайн

Вы можете оплатить заказ прямо на сайте с помощью банковской карты.

  1. Выбор способа оплаты: Выберите опцию «Банковской картой онлайн».
  2. Переход к платёжной странице: После подтверждения заказа вы будете перенаправлены на защищённую страницу.
  3. Оплата: Следуйте инструкциям на экране.
  4. Подтверждение: Получите уведомление об оплате на e-mail.
2. Наличными при получении (только со склада в СПб)

Оплата возможна только при самовывозе. Убедитесь в графике работы склада.

3. Оплата через квитанцию
Как это работает:
  1. Распечатайте квитанцию или перепишите её вручную.
  2. Оплатите в любом банке.
  3. Сохраните квитанцию до подтверждения заказа.
Условия поставки:
  • Отгрузка товара производится после подтверждения поступления оплаты.
  • Платёж идентифицируется по поступившей в банк квитанции.
Примечание: ООО «Техноберинг» не гарантирует срок зачисления платежа — уточните детали в вашем банке.
4. Оплата по счёту

Для оплаты по счёту необходимо предоставить корректные реквизиты компании.

Поможем подобрать комплектующие
Наши специалисты помогут вам с правильным выбором необходимых размеров, позиций или подберут аналоги по лучшей цене.

ОПУ стандартная серия с одним рядом шариков ZB1.250862201-1SPTN ISB
ОПУ стандартная серия с одним рядом шариков ZB1.250862201-1SPTN ISB
ОПУ стандартная серия с одним рядом шариков ZB1.250862201-1SPTN ISB
ОПУ стандартная серия с одним рядом шариков ZB1.250862201-1SPTN ISB