Top.Mail.Ru
Ваш город - Колумбус?
+7 (812) 220-40-40
E-mail
sale@technobearing.ru
Адрес
Санкт-Петербург, ул. Понссе, 22
Режим работы
Пн-Пт.: с 8:00 до 17:30

ОПУ стандартная серия с одним рядом шариков ZB1.25.0455.201-2SPTN ISB

ArrowBack
ArrowForward
ОПУ стандартная серия с одним рядом шариков ZB1.25.0455.201-2SPTN ISB — детальное фото 0
ОПУ стандартная серия с одним рядом шариков ZB1.25.0455.201-2SPTN ISB — детальное фото 1
Гарантия производителя 12 месяцев
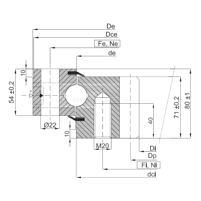
Внутренний диаметр, мм
304
Наружный диаметр, мм
555
Фланец
нет
Производитель
ISB
Все характеристики
Артикул
ZB1.25.0455.201-2SPTN
Производитель
ISB
Внутренний диаметр Di, мм
304
Наружный диаметр De, мм
555
Вес, кг
64
Диаметр dci, мм
455
Диаметр Dp, мм
320
Диаметр de, мм
454
Материал
сталь C45
Количество отверстий на внутреннем кольце Ni
18
Кривая
1
Количество зубьев Z
40
Количество отверстий на наружном кольце Ne
18
Монтажный диаметр наружного кольца Fe, мм
515
Монтажный диаметр внутреннего кольца Fi, мм
394
Модуль зубьев m, мм
8
Наружный диаметр Dce, мм
553
Осевой зазор и радиальный, мм
0ч0,03
Резьба M, мм
M20
Размер резьбовых отверстий, мм
22
Уплотнение
есть
Тип зацепления
внутреннее зацепление
Усилие на зубе Fz max, kН
80,4
Усилие на зубе Fz nor, kН
40,2
Если вы не нашли нужный товар или заказываете больше одной единицы, наша служба поддержки к вашим услугам. Менеджер проверит наличие, рассчитает стоимость и оформит всё для вас.
Способы оформления заказа для юридических лиц:
  • На почту: sale@technobearing.ru (пришлите список и реквизиты)
  • По телефону: 8 (812) 409-50-12 (назовите менеджеру, что нужно)
  • Через корзину: Выберите «Юридическое лицо» и загрузите карточку компании
После оформления мы вышлем счёт, забронируем товар и отправим его в любой регион России.
1. Банковской картой онлайн

Вы можете оплатить заказ прямо на сайте с помощью банковской карты.

  1. Выбор способа оплаты: Выберите опцию «Банковской картой онлайн».
  2. Переход к платёжной странице: После подтверждения заказа вы будете перенаправлены на защищённую страницу.
  3. Оплата: Следуйте инструкциям на экране.
  4. Подтверждение: Получите уведомление об оплате на e-mail.
2. Наличными при получении (только со склада в СПб)

Оплата возможна только при самовывозе. Убедитесь в графике работы склада.

3. Оплата через квитанцию
Как это работает:
  1. Распечатайте квитанцию или перепишите её вручную.
  2. Оплатите в любом банке.
  3. Сохраните квитанцию до подтверждения заказа.
Условия поставки:
  • Отгрузка товара производится после подтверждения поступления оплаты.
  • Платёж идентифицируется по поступившей в банк квитанции.
Примечание: ООО «Техноберинг» не гарантирует срок зачисления платежа — уточните детали в вашем банке.
4. Оплата по счёту

Для оплаты по счёту необходимо предоставить корректные реквизиты компании.

Поможем подобрать комплектующие
Наши специалисты помогут вам с правильным выбором необходимых размеров, позиций или подберут аналоги по лучшей цене.

ОПУ стандартная серия с одним рядом шариков ZB1.25.0455.201-2SPTN ISB
ОПУ стандартная серия с одним рядом шариков ZB1.25.0455.201-2SPTN ISB
ОПУ стандартная серия с одним рядом шариков ZB1.25.0455.201-2SPTN ISB
ОПУ стандартная серия с одним рядом шариков ZB1.25.0455.201-2SPTN ISB