Top.Mail.Ru
Ваш город - Колумбус?
+7 (812) 449-72-07
E-mail
sale@technobearing.ru
Адрес
Санкт-Петербург, ул. Понссе, 22
Режим работы
Пн-Пт.: с 8:00 до 17:30

ОПУ стандартная серия с одним рядом шариков EB1.25.1255.200-1 STPN ISB

ArrowBack
ArrowForward
ОПУ стандартная серия с одним рядом шариков EB1.25.1255.200-1 STPN ISB
ОПУ стандартная серия с одним рядом шариков EB1.25.1255.200-1 STPN ISB
Гарантия производителя 12 месяцев
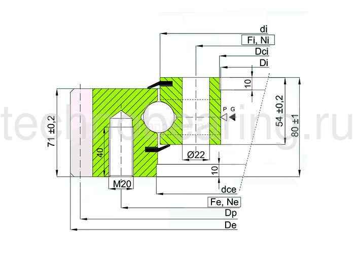
Внутренний диаметр, мм
1155
Наружный диаметр, мм
1398
Фланец
нет
Производитель
ISB
Все характеристики
M, мм
10
Диаметр D, мм
1398
Артикул
EB1.25.1255.200-1STPN
Производитель
ISB
Ve, мм
1 256
Внутренний диаметр Di, мм
1155
Наружный диаметр De, мм
1398
z
138
s
1.5
Диаметр Di, мм
1 155
Вес, кг
201
Внутренний диаметр di, мм
1256
Диаметр Dp, мм
1380
Диаметр De, мм
1 398
Диаметр Fi, мм
1 195
Диаметр de, мм
1254
Материал
сталь C45
Диаметр Fe, мм
1 316
Количество отверстий на внутреннем кольце Ni
42
Кривая
9
Количество зубьев Z
138
Допуск радиального зазора
Сталь
Количество отверстий на наружном кольце Ne
42
Монтажный диаметр наружного кольца Fe, мм
1316
Количество отверстий Nе
42
Количество отверстий Ni
42
Преднатяг
48,28
Монтажный диаметр внутреннего кольца Fi, мм
1195
Модуль зубьев m, мм
10
Резьба M, мм
M20
Размер резьбовых отверстий, мм
22
Размер r min, мм
1.5
Размер Ni, мм
42
Уплотнение
есть
Тип зацепления
наружное зацепление
Усилие на зубе Fz max, kН
96,6
Усилие на зубе Fz nor, kН
48,3
Если вы не нашли нужный товар или заказываете больше одной единицы, наша служба поддержки к вашим услугам. Менеджер проверит наличие, рассчитает стоимость и оформит всё для вас.
Способы оформления заказа для юридических лиц:
  • На почту: sale@technobearing.ru (пришлите список и реквизиты)
  • По телефону: 8 (812) 409-50-12 (назовите менеджеру, что нужно)
  • Через корзину: Выберите «Юридическое лицо» и загрузите карточку компании
После оформления мы вышлем счёт, забронируем товар и отправим его в любой регион России.
1. Банковской картой онлайн

Вы можете оплатить заказ прямо на сайте с помощью банковской карты.

  1. Выбор способа оплаты: Выберите опцию «Банковской картой онлайн».
  2. Переход к платёжной странице: После подтверждения заказа вы будете перенаправлены на защищённую страницу.
  3. Оплата: Следуйте инструкциям на экране.
  4. Подтверждение: Получите уведомление об оплате на e-mail.
2. Наличными при получении (только со склада в СПб)

Оплата возможна только при самовывозе. Убедитесь в графике работы склада.

3. Оплата через квитанцию
Как это работает:
  1. Распечатайте квитанцию или перепишите её вручную.
  2. Оплатите в любом банке.
  3. Сохраните квитанцию до подтверждения заказа.
Условия поставки:
  • Отгрузка товара производится после подтверждения поступления оплаты.
  • Платёж идентифицируется по поступившей в банк квитанции.
Примечание: ООО «Техноберинг» не гарантирует срок зачисления платежа — уточните детали в вашем банке.
4. Оплата по счёту

Для оплаты по счёту необходимо предоставить корректные реквизиты компании.

Поможем подобрать комплектующие
Наши специалисты помогут вам с правильным выбором необходимых размеров, позиций или подберут аналоги по лучшей цене.

ОПУ стандартная серия с одним рядом шариков EB1.25.1255.200-1 STPN ISB
ОПУ стандартная серия с одним рядом шариков EB1.25.1255.200-1 STPN ISB
ОПУ стандартная серия с одним рядом шариков EB1.25.1255.200-1 STPN ISB
ОПУ стандартная серия с одним рядом шариков EB1.25.1255.200-1 STPN ISB
697 618 ₽