Top.Mail.Ru
Ваш город - Колумбус?
+7 (812) 220-40-40
E-mail
sale@technobearing.ru
Адрес
Санкт-Петербург, ул. Понссе, 22
Режим работы
Пн-Пт.: с 8:00 до 17:30

ОПУ стандартная серия с двумя рядами шариков ZB2.45.1605.401-1SPPN ISB

ArrowBack
ArrowForward
ОПУ стандартная серия с двумя рядами шариков ZB2.45.1605.401-1SPPN ISB — детальное фото 0
ОПУ стандартная серия с двумя рядами шариков ZB2.45.1605.401-1SPPN ISB — детальное фото 1
Гарантия производителя 12 месяцев
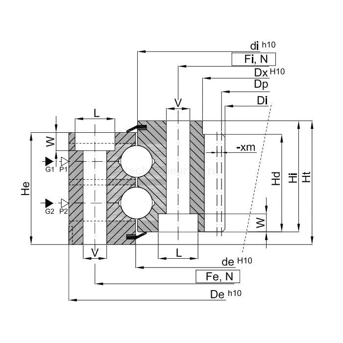
Внутренний диаметр, мм
1375
Наружный диаметр, мм
1780
Фланец
нет
Производитель
ISB
Все характеристики
Артикул
ZB2.45.1605.401-1SPPN
Производитель
ISB
L, мм
46
Внутренний диаметр Di, мм
1375
Высота Ht, мм
144
Наружный диаметр De, мм
1780
Вес, кг
832
Высота наружного кольца He, мм
134
Высота внутреннего кольца Hi, мм
134
Диаметр присоединительного отверстия V, мм
31
Внутренний диаметр di, мм
1602
Диаметр Dp, мм
1404
Диаметр de, мм
1606
Диаметр отверстия под головку болта L, мм
46
Диаметр Dx, мм
1382
Материал
сталь 42CrMo4 Q+T
Кривая
4
Количество зубьев Z
117
Количество отверстий на кольце N
48
Монтажный диаметр наружного кольца Fe, мм
1710
Монтажный диаметр внутреннего кольца Fi, мм
1500
Модуль зубьев m, мм
12
Тип зацепления
внутреннее зацепление
Усилие на зубе Fz max, kН
235,6
Ширина W, мм
28
Усилие на зубе Fz nor, kН
117,8
Ширина зубьев Hd, мм
124
Если вы не нашли нужный товар или заказываете больше одной единицы, наша служба поддержки к вашим услугам. Менеджер проверит наличие, рассчитает стоимость и оформит всё для вас.
Способы оформления заказа для юридических лиц:
  • На почту: sale@technobearing.ru (пришлите список и реквизиты)
  • По телефону: 8 (812) 409-50-12 (назовите менеджеру, что нужно)
  • Через корзину: Выберите «Юридическое лицо» и загрузите карточку компании
После оформления мы вышлем счёт, забронируем товар и отправим его в любой регион России.
1. Банковской картой онлайн

Вы можете оплатить заказ прямо на сайте с помощью банковской карты.

  1. Выбор способа оплаты: Выберите опцию «Банковской картой онлайн».
  2. Переход к платёжной странице: После подтверждения заказа вы будете перенаправлены на защищённую страницу.
  3. Оплата: Следуйте инструкциям на экране.
  4. Подтверждение: Получите уведомление об оплате на e-mail.
2. Наличными при получении (только со склада в СПб)

Оплата возможна только при самовывозе. Убедитесь в графике работы склада.

3. Оплата через квитанцию
Как это работает:
  1. Распечатайте квитанцию или перепишите её вручную.
  2. Оплатите в любом банке.
  3. Сохраните квитанцию до подтверждения заказа.
Условия поставки:
  • Отгрузка товара производится после подтверждения поступления оплаты.
  • Платёж идентифицируется по поступившей в банк квитанции.
Примечание: ООО «Техноберинг» не гарантирует срок зачисления платежа — уточните детали в вашем банке.
4. Оплата по счёту

Для оплаты по счёту необходимо предоставить корректные реквизиты компании.

Поможем подобрать комплектующие
Наши специалисты помогут вам с правильным выбором необходимых размеров, позиций или подберут аналоги по лучшей цене.

ОПУ стандартная серия с двумя рядами шариков ZB2.45.1605.401-1SPPN ISB
ОПУ стандартная серия с двумя рядами шариков ZB2.45.1605.401-1SPPN ISB
ОПУ стандартная серия с двумя рядами шариков ZB2.45.1605.401-1SPPN ISB
ОПУ стандартная серия с двумя рядами шариков ZB2.45.1605.401-1SPPN ISB