Top.Mail.Ru
Ваш город - Колумбус?
+7 (812) 220-40-40
E-mail
sale@technobearing.ru
Адрес
Санкт-Петербург, ул. Понссе, 22
Режим работы
Пн-Пт.: с 8:00 до 17:30

ОПУ стандартная серия с двумя рядами шариков EB2.35.1578.400-1SPPN ISB

ArrowBack
ArrowForward
ОПУ стандартная серия с двумя рядами шариков EB2.35.1578.400-1SPPN ISB — детальное фото 0
ОПУ стандартная серия с двумя рядами шариков EB2.35.1578.400-1SPPN ISB — детальное фото 1
Гарантия производителя 12 месяцев
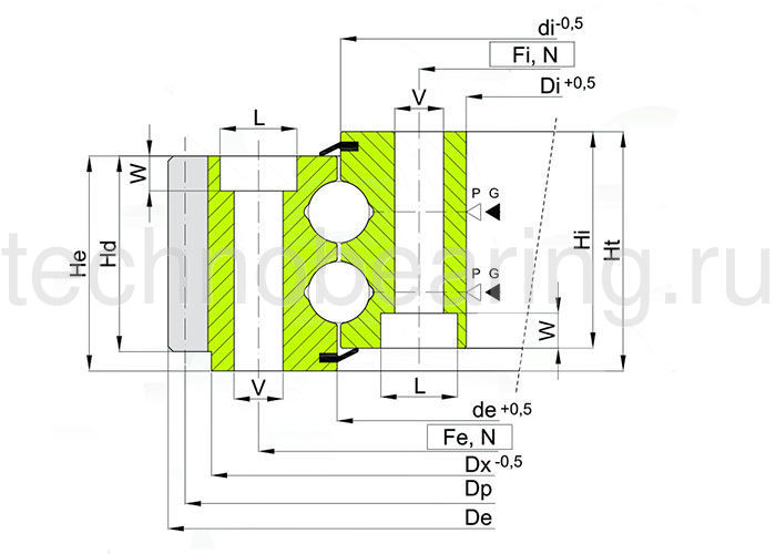
Внутренний диаметр, мм
1433
Наружный диаметр, мм
1805
Фланец
нет
Производитель
ISB
Все характеристики
Артикул
EB2.35.1578.400-1SPPN
Производитель
ISB
L, мм
15
Внутренний диаметр Di, мм
1433
Высота Ht, мм
156
Наружный диаметр De, мм
1805
Вес, кг
810
Высота наружного кольца He, мм
140
Высота внутреннего кольца Hi, мм
140
Диаметр присоединительного отверстия V, мм
28
Внутренний диаметр di, мм
1575
Диаметр Dp, мм
1744
Диаметр de, мм
1581
Диаметр отверстия под головку болта L, мм
41
Материал
сталь 42CrMo4 Q+T
Кривая
7
Количество зубьев Z
109
Количество отверстий на кольце N
60
Монтажный диаметр наружного кольца Fe, мм
1671
Поправочный коэффициент, xm
+16,9
Монтажный диаметр внутреннего кольца Fi, мм
1485
Модуль зубьев m, мм
16
Уплотнение
есть
Тип зацепления
наружное зацепление
Усилие на зубе Fz max, kН
411,21
Ширина W, мм
15
Усилие на зубе Fz nor, kН
205,6
Ширина зубьев Hd, мм
140
Если вы не нашли нужный товар или заказываете больше одной единицы, наша служба поддержки к вашим услугам. Менеджер проверит наличие, рассчитает стоимость и оформит всё для вас.
Способы оформления заказа для юридических лиц:
  • На почту: sale@technobearing.ru (пришлите список и реквизиты)
  • По телефону: 8 (812) 409-50-12 (назовите менеджеру, что нужно)
  • Через корзину: Выберите «Юридическое лицо» и загрузите карточку компании
После оформления мы вышлем счёт, забронируем товар и отправим его в любой регион России.
1. Банковской картой онлайн

Вы можете оплатить заказ прямо на сайте с помощью банковской карты.

  1. Выбор способа оплаты: Выберите опцию «Банковской картой онлайн».
  2. Переход к платёжной странице: После подтверждения заказа вы будете перенаправлены на защищённую страницу.
  3. Оплата: Следуйте инструкциям на экране.
  4. Подтверждение: Получите уведомление об оплате на e-mail.
2. Наличными при получении (только со склада в СПб)

Оплата возможна только при самовывозе. Убедитесь в графике работы склада.

3. Оплата через квитанцию
Как это работает:
  1. Распечатайте квитанцию или перепишите её вручную.
  2. Оплатите в любом банке.
  3. Сохраните квитанцию до подтверждения заказа.
Условия поставки:
  • Отгрузка товара производится после подтверждения поступления оплаты.
  • Платёж идентифицируется по поступившей в банк квитанции.
Примечание: ООО «Техноберинг» не гарантирует срок зачисления платежа — уточните детали в вашем банке.
4. Оплата по счёту

Для оплаты по счёту необходимо предоставить корректные реквизиты компании.

Поможем подобрать комплектующие
Наши специалисты помогут вам с правильным выбором необходимых размеров, позиций или подберут аналоги по лучшей цене.

ОПУ стандартная серия с двумя рядами шариков EB2.35.1578.400-1SPPN ISB
ОПУ стандартная серия с двумя рядами шариков EB2.35.1578.400-1SPPN ISB
ОПУ стандартная серия с двумя рядами шариков EB2.35.1578.400-1SPPN ISB
ОПУ стандартная серия с двумя рядами шариков EB2.35.1578.400-1SPPN ISB