Top.Mail.Ru
Ваш город - Колумбус?
+7 (812) 220-40-40
E-mail
sale@technobearing.ru
Адрес
Санкт-Петербург, ул. Понссе, 22
Режим работы
Пн-Пт.: с 8:00 до 17:30

ОПУ стандартная серия с двумя рядами шариков EB2.25.0821.200-1SPPN ISB

ArrowBack
ArrowForward
ОПУ стандартная серия с двумя рядами шариков EB2.25.0821.200-1SPPN ISB — детальное фото 0
ОПУ стандартная серия с двумя рядами шариков EB2.25.0821.200-1SPPN ISB — детальное фото 1
Гарантия производителя 12 месяцев
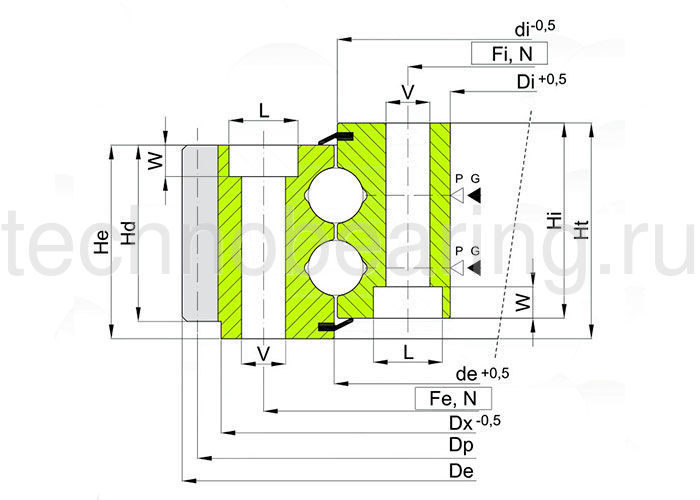
Внутренний диаметр, мм
718
Наружный диаметр, мм
979
Фланец
нет
Производитель
ISB
Все характеристики
Артикул
EB2.25.0821.200-1SPPN
Производитель
ISB
L, мм
31
Внутренний диаметр Di, мм
718
Высота Ht, мм
102
Наружный диаметр De, мм
979
Вес, кг
200
Высота наружного кольца He, мм
92
Высота внутреннего кольца Hi, мм
92
Диаметр присоединительного отверстия V, мм
21
Внутренний диаметр di, мм
819
Диаметр Dp, мм
940
Диаметр de, мм
823
Диаметр отверстия под головку болта L, мм
31
Диаметр Dx, мм
935
Материал
сталь 42CrMo4 Q+T
Кривая
6
Количество зубьев Z
94
Количество отверстий на кольце N
36
Монтажный диаметр наружного кольца Fe, мм
893
Поправочный коэффициент, xm
+11
Монтажный диаметр внутреннего кольца Fi, мм
753
Модуль зубьев m, мм
10
Уплотнение
есть
Тип зацепления
наружное зацепление
Усилие на зубе Fz max, kН
141,26
Ширина W, мм
15
Усилие на зубе Fz nor, kН
70,63
Ширина зубьев Hd, мм
86
Если вы не нашли нужный товар или заказываете больше одной единицы, наша служба поддержки к вашим услугам. Менеджер проверит наличие, рассчитает стоимость и оформит всё для вас.
Способы оформления заказа для юридических лиц:
  • На почту: sale@technobearing.ru (пришлите список и реквизиты)
  • По телефону: 8 (812) 409-50-12 (назовите менеджеру, что нужно)
  • Через корзину: Выберите «Юридическое лицо» и загрузите карточку компании
После оформления мы вышлем счёт, забронируем товар и отправим его в любой регион России.
1. Банковской картой онлайн

Вы можете оплатить заказ прямо на сайте с помощью банковской карты.

  1. Выбор способа оплаты: Выберите опцию «Банковской картой онлайн».
  2. Переход к платёжной странице: После подтверждения заказа вы будете перенаправлены на защищённую страницу.
  3. Оплата: Следуйте инструкциям на экране.
  4. Подтверждение: Получите уведомление об оплате на e-mail.
2. Наличными при получении (только со склада в СПб)

Оплата возможна только при самовывозе. Убедитесь в графике работы склада.

3. Оплата через квитанцию
Как это работает:
  1. Распечатайте квитанцию или перепишите её вручную.
  2. Оплатите в любом банке.
  3. Сохраните квитанцию до подтверждения заказа.
Условия поставки:
  • Отгрузка товара производится после подтверждения поступления оплаты.
  • Платёж идентифицируется по поступившей в банк квитанции.
Примечание: ООО «Техноберинг» не гарантирует срок зачисления платежа — уточните детали в вашем банке.
4. Оплата по счёту

Для оплаты по счёту необходимо предоставить корректные реквизиты компании.

Поможем подобрать комплектующие
Наши специалисты помогут вам с правильным выбором необходимых размеров, позиций или подберут аналоги по лучшей цене.

ОПУ стандартная серия с двумя рядами шариков EB2.25.0821.200-1SPPN ISB
ОПУ стандартная серия с двумя рядами шариков EB2.25.0821.200-1SPPN ISB
ОПУ стандартная серия с двумя рядами шариков EB2.25.0821.200-1SPPN ISB
ОПУ стандартная серия с двумя рядами шариков EB2.25.0821.200-1SPPN ISB