Top.Mail.Ru
Ваш город - Колумбус?
+7 (812) 220-40-40
E-mail
sale@technobearing.ru
Адрес
Санкт-Петербург, ул. Понссе, 22
Режим работы
Пн-Пт.: с 8:00 до 17:30

ОПУ серия с перекрестными роликами на один ряд ER1.25.0675.400-1SPPN ISB

ArrowBack
ArrowForward
ОПУ серия с перекрестными роликами на один ряд ER1.25.0675.400-1SPPN ISB — детальное фото 0
ОПУ серия с перекрестными роликами на один ряд ER1.25.0675.400-1SPPN ISB — детальное фото 1
Гарантия производителя 12 месяцев
Внутренний диаметр, мм
574
Наружный диаметр, мм
816
Фланец
нет
Производитель
ISB
Все характеристики
Артикул
ER1.25.0675.400-1SPPN
Производитель
ISB
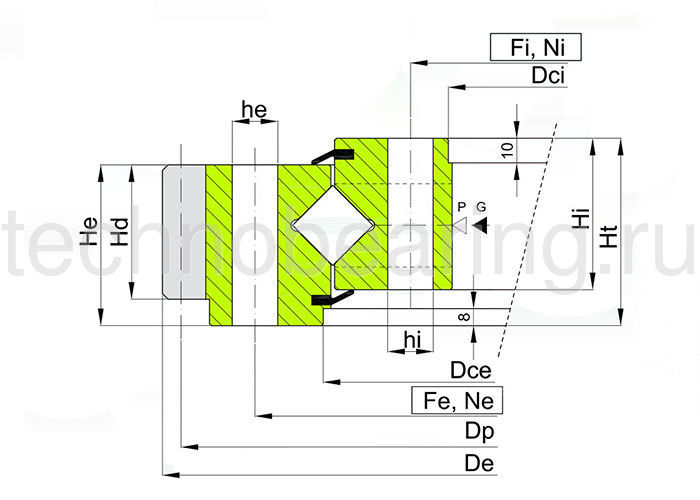
Высота Ht, мм
90
Наружный диаметр De, мм
816
Вес, кг
124
Высота наружного кольца He, мм
73
Высота внутреннего кольца Hi, мм
70
Внутренний диаметр Dci, мм
574
Диаметр крепежного отверстия he, мм
22
Диаметр Dp, мм
805,1
Диаметр крепежного отверстия hi, мм
22
Материал
сталь 42CrMo4 Q+T
Количество отверстий на внутреннем кольце Ni
18
Кривая
6
Количество зубьев Z
132
Количество отверстий на наружном кольце Ne
18
Монтажный диаметр наружного кольца Fe, мм
753
Поправочный коэффициент, xm
+6,552
Монтажный диаметр внутреннего кольца Fi, мм
604
Модуль зубьев m, мм
6
Наружный диаметр Dce, мм
682
Тип зацепления
наружное зацепление
Усилие на зубе Fz nor, kН
37,68
Ширина зубьев Hd, мм
65
Если вы не нашли нужный товар или заказываете больше одной единицы, наша служба поддержки к вашим услугам. Менеджер проверит наличие, рассчитает стоимость и оформит всё для вас.
Способы оформления заказа для юридических лиц:
  • На почту: sale@technobearing.ru (пришлите список и реквизиты)
  • По телефону: 8 (812) 409-50-12 (назовите менеджеру, что нужно)
  • Через корзину: Выберите «Юридическое лицо» и загрузите карточку компании
После оформления мы вышлем счёт, забронируем товар и отправим его в любой регион России.
1. Банковской картой онлайн

Вы можете оплатить заказ прямо на сайте с помощью банковской карты.

  1. Выбор способа оплаты: Выберите опцию «Банковской картой онлайн».
  2. Переход к платёжной странице: После подтверждения заказа вы будете перенаправлены на защищённую страницу.
  3. Оплата: Следуйте инструкциям на экране.
  4. Подтверждение: Получите уведомление об оплате на e-mail.
2. Наличными при получении (только со склада в СПб)

Оплата возможна только при самовывозе. Убедитесь в графике работы склада.

3. Оплата через квитанцию
Как это работает:
  1. Распечатайте квитанцию или перепишите её вручную.
  2. Оплатите в любом банке.
  3. Сохраните квитанцию до подтверждения заказа.
Условия поставки:
  • Отгрузка товара производится после подтверждения поступления оплаты.
  • Платёж идентифицируется по поступившей в банк квитанции.
Примечание: ООО «Техноберинг» не гарантирует срок зачисления платежа — уточните детали в вашем банке.
4. Оплата по счёту

Для оплаты по счёту необходимо предоставить корректные реквизиты компании.

Поможем подобрать комплектующие
Наши специалисты помогут вам с правильным выбором необходимых размеров, позиций или подберут аналоги по лучшей цене.

ОПУ серия с перекрестными роликами на один ряд ER1.25.0675.400-1SPPN ISB
ОПУ серия с перекрестными роликами на один ряд ER1.25.0675.400-1SPPN ISB
ОПУ серия с перекрестными роликами на один ряд ER1.25.0675.400-1SPPN ISB
ОПУ серия с перекрестными роликами на один ряд ER1.25.0675.400-1SPPN ISB