Top.Mail.Ru
Временное изменение режима работы
Подробнее
Ваш город - Колумбус?
+7 (812) 220-40-40
E-mail
sale@technobearing.ru
Адрес
Санкт-Петербург, ул. Понссе, 22
Режим работы
Пн-Пт.: с 8:00 до 17:30

ОПУ фланцевая серия EBL.30.1155.201-2STPN ISB

ArrowBack
ArrowForward
ОПУ фланцевая серия EBL.30.1155.201-2STPN ISB — детальное фото 0
ОПУ фланцевая серия EBL.30.1155.201-2STPN ISB — детальное фото 1
Гарантия производителя 12 месяцев
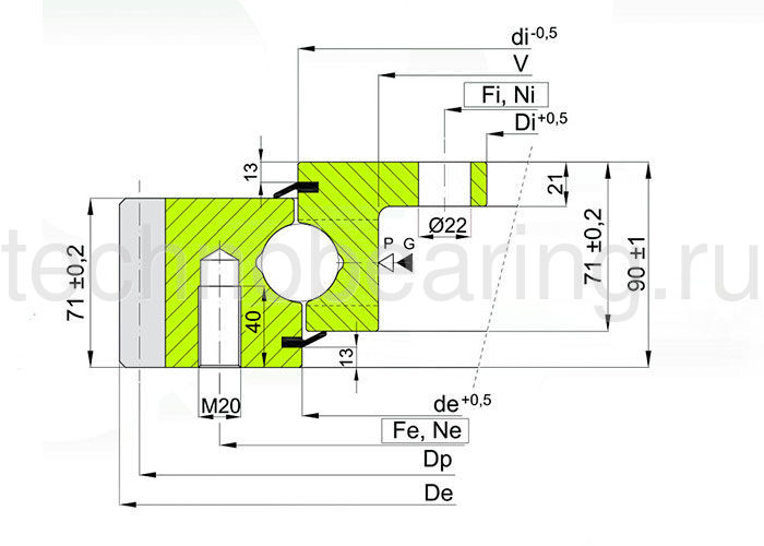
Наружный диаметр, мм
1298
Фланец
есть
Производитель
ISB
Все характеристики
Артикул
EBL.30.1155.201-2STPN
Производитель
ISB
Наружный диаметр De, мм
1298
Вес, кг
200
Диаметр dce, мм
1155
Внутренний диаметр Dci, мм
1007
Диаметр присоединительного отверстия V, мм
1093
Внутренний диаметр di, мм
1156,5
Диаметр Dp, мм
1280
Материал
сталь C45
Количество отверстий на внутреннем кольце Ni
36
Кривая
3
Количество зубьев Z
128
Количество отверстий на наружном кольце Ne
36
Монтажный диаметр наружного кольца Fe, мм
1216
Монтажный диаметр внутреннего кольца Fi, мм
1045
Модуль зубьев m, мм
10
Осевой зазор и радиальный, мм
0ч0,06
Резьба M, мм
M20
Размер резьбовых отверстий, мм
22
Уплотнение
есть
Тип зацепления
наружное зацепление
Усилие на зубе Fz max, kН
96,6
Усилие на зубе Fz nor, kН
48,3
Если вы не нашли нужный товар или заказываете больше одной единицы, наша служба поддержки к вашим услугам. Менеджер проверит наличие, рассчитает стоимость и оформит всё для вас.
Способы оформления заказа для юридических лиц:
  • На почту: sale@technobearing.ru (пришлите список и реквизиты)
  • По телефону: 8 (812) 409-50-12 (назовите менеджеру, что нужно)
  • Через корзину: Выберите «Юридическое лицо» и загрузите карточку компании
После оформления мы вышлем счёт, забронируем товар и отправим его в любой регион России.
1. Банковской картой онлайн

Вы можете оплатить заказ прямо на сайте с помощью банковской карты.

  1. Выбор способа оплаты: Выберите опцию «Банковской картой онлайн».
  2. Переход к платёжной странице: После подтверждения заказа вы будете перенаправлены на защищённую страницу.
  3. Оплата: Следуйте инструкциям на экране.
  4. Подтверждение: Получите уведомление об оплате на e-mail.
2. Наличными при получении (только со склада в СПб)

Оплата возможна только при самовывозе. Убедитесь в графике работы склада.

3. Оплата через квитанцию
Как это работает:
  1. Распечатайте квитанцию или перепишите её вручную.
  2. Оплатите в любом банке.
  3. Сохраните квитанцию до подтверждения заказа.
Условия поставки:
  • Отгрузка товара производится после подтверждения поступления оплаты.
  • Платёж идентифицируется по поступившей в банк квитанции.
Примечание: ООО «Техноберинг» не гарантирует срок зачисления платежа — уточните детали в вашем банке.
4. Оплата по счёту

Для оплаты по счёту необходимо предоставить корректные реквизиты компании.

Поможем подобрать комплектующие
Наши специалисты помогут вам с правильным выбором необходимых размеров, позиций или подберут аналоги по лучшей цене.

ОПУ фланцевая серия EBL.30.1155.201-2STPN ISB
ОПУ фланцевая серия EBL.30.1155.201-2STPN ISB
ОПУ фланцевая серия EBL.30.1155.201-2STPN ISB
ОПУ фланцевая серия EBL.30.1155.201-2STPN ISB

Этот товар участвует в подборках